Общие характеристики
Тип товара
Профиль
Цвет покрытия
Серебристый
Модельный ряд
PDS
Форма (сечение)
С фланцем
Материал корпуса
Алюминий
Индивидуальная покраска
Возможна
Назначение
Для контурной подсветки
Гарантийный срок
2 год(а)
Способ монтажа
Встраиваемый с накладным фланцем
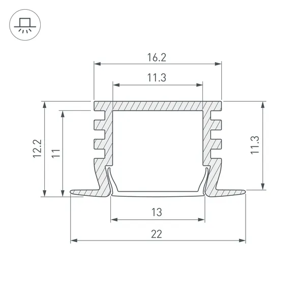
Встраиваемый профиль с накладным фланцем из анодированного алюминия для контурной подсветки.
Габаритные размеры профиля составляют 2000 мм в длину, 22 мм в ширину и 12,2 мм в высоту. Площадка для установки светодиодных лент позволяет использовать ленту шириной до 11,3 мм и мощностью до 17 Вт/м. Это обеспечивает гибкость в выборе светодиодных лент и создает потрясающие световые решения.
Экраны, заглушки и другие аксессуары не включены в комплект и приобретаются отдельно. Цена указана за 1 метр профиля.
Отличное решение для создания современных световых проектов.
Отзывы
У товара пока нет отзывов. Вы можете стать первым!


